连接器
传感器系列
智能控制板
快插端子
护套系列
刺破式端子
开关系列
PET膜片/面板
石墨烯加热膜
其他产品
消费性电子类
通讯类
电脑类
汽车,医疗
工业、智能家居
公司新闻
活动资讯
技术文章
产品目录
产品说明书
软件下载
应用手册
软件协议
menu close
公司简介
发展历程
资质荣誉
视频展示
生产设备
合作伙伴
关联企业
质量保证
量产能力
联系我们
工作机会
需求咨询
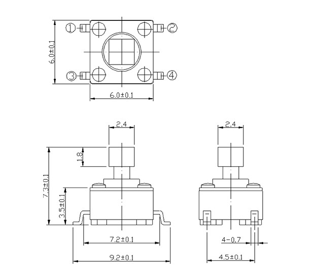
您当前位置:首页> 产品中心> 开关系列> 轻触开关
产品主要尺寸参考图
该产品原制造商相关文档/技术参数资料
上一篇:BST-TVEM17
下一篇:BST-TVCP02