您当前位置:首页> 产品中心> 开关系列> 轻触开关

BST-THDP09

规格描述:

技术参数SPECIFICATIONS

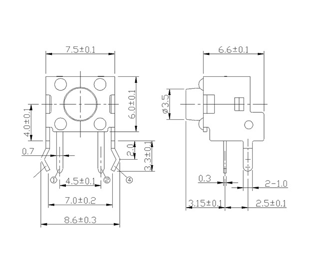
特点: 侧按 尺寸: 6.0X6.0mm 产品分类: 轻触开关 - D系列 / 6x6 应用 ※ 各种电子设备像音响设备,办公设备,通讯设备,测试仪器,电视机,录像机,汽车等 特点 ※ 插脚类型可以直接安在PCB上 ※ 一些输出脚可以做为引脚让电路设计更简单 ※ 可做防静电接地脚 ※ 标准的帽子是可以做的

产品主要尺寸参考图

该产品原制造商相关文档/技术参数资料

【返回列表】

上一篇:BST-TVBM18

下一篇:BST-TVDP02

一键拨号 一键导航